首页 企业简介 产品介绍 企业动态 包装机械 联系我们 客户留言
2025年12月7日 09:20:18
 
首页 > 产品介绍 > 镗铣类数控机床工具系统 > 刀头类 > 微调镗刀头

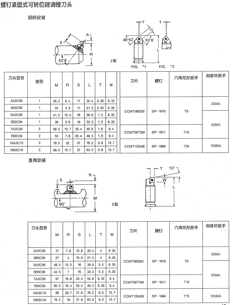
螺钉紧固式可转位微调镗刀头


     

威海天诺数控机械有限公司
厂 址:中国山东省威海科技新城(初村北海)
手机:19819680807于先生
电 话:0086-631-5223342/5710079/5221553/5710088
传 真:0086-631-5221046   邮政编码:264210
技术支持:力丰网络       鲁ICP备18042265号-1